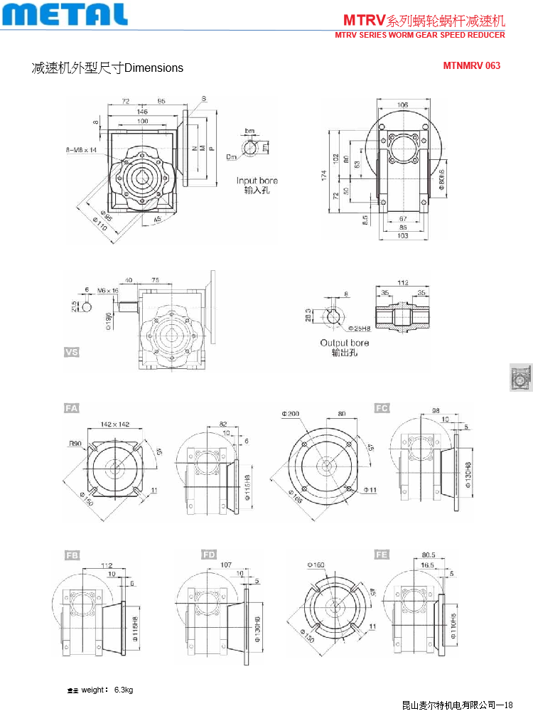
MTNMRV063减速机箱体设计:NMRV63减速机是按技术质量标准设计制造。RV系列蜗轮蜗杆减速机在符合标准GB10085-88圆柱蜗轮蜗杆参数基础之上,吸取国内外科技,具新颖的"方箱型"外形结构,箱体外形美观,铝合金压铸而成。RV系列蜗轮蜗杆减速机已广泛应用于各类行业生产工艺装备的机械减速装置,是目前现代工业装备实现大扭矩、大速比低噪音、高稳定机械减速传动控制装置的选择。
MTNMRV063减速机特点:机械结构紧凑、体积外形轻巧、;热交换性能好、散热快;安装简易、灵活轻捷、性能优越、易于维护检修;运行平稳、噪音小、经久耐用;使用性强。

























