◆
用户中心
微信扫码
◆
暂无联系客服
◆
意见反馈
网站主页
关于企业
企业简介
企业文化
产品中心
新闻中心
联系我们
下载专区
网站主页
>
阀
>
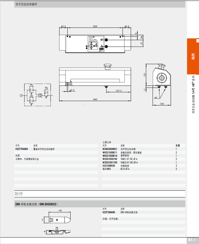
双手安全气动阀
双手安全气动阀
现价:
¥
0.00
登录查看会员价
去手机购买
数量:
库存
0
件
详情
特别提示
评价()
首页
上一页
下一页
尾页